While the average size of one compartment sink without drain board measures 25 inches in length, 27 inches in width, 45 inches in height and 14 inches in depth, the lengthiest compartment sink on average has four compartments very often. The four compartment sink without drain board on average measures 97 inches in length, 27 inches in width ... Info Preview Stainless steel sink with 3 bowls and 2 drainboards from Aero Manufacturing. 90.5" Overall length. Bowl sizes are 18 X 18 X 12-inches deep. All 18 gauge ... If your business needs a sink that will keep up with
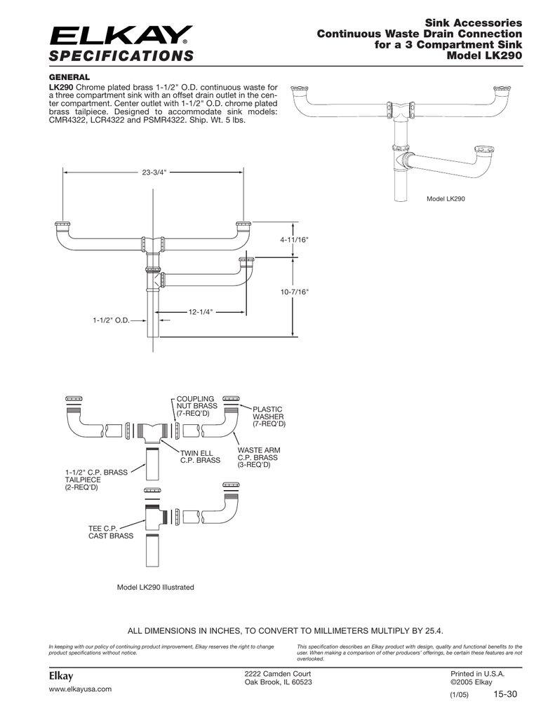
Source: tacomapermits.org Grease Interceptor Sizing And Installation Guidelines Tacoma Permits Source: eid.org Ar 6022 Fog Fse Appendix A Guidelines For Grease Removal Device (Grd) Source: regencytablesandsinks.com 3 Compartment Sinks Regency Source: walmart.com Costway 3 Compartment Stainless Steel Kitchen Commercial Sink Heavy Duty Walmart.Com Walmart.Com Source: elkay.com Elkay Rigidbilt Stainless Steel 97 1/4" X 29 3/4" X 14" Floor Mount, Triple Compartment Scullery Sink W/ Drainboard Source: cchealth.org Sinks / Dishmachines Food Preparation Sink A Separate Stainless Steel Sink Must Be Provided In Establishments Where Food Prepara Source: lilorbits.com Portable 3 Compartment Sink Stainless Steel Industrial Sink Self Contaiend Sink System Source: nellaonline.com Nella 24X48X13.5" Heavy Duty Stainless Steel Three Compartment Sink Nella Online Source: moliinternational.com Mid Size Three Compartment Drop In Mini Sink With Drainboards Moli International Source: plumbingsupply.com Griffin Commercial Style Stainless Steel Drop In Kitchen Sinks Source: akitchen.com Aero Stainless Steel Three Compartment Sink, 18" X 18" Bowls, Left And Right Drainboards Af3 1818 18Lr Source: pinterest.ca Pin On Stuff To Buy Source: webstaurantstore.com Regency 88" 16 Gauge Stainless Steel Three Compartment Commercial Sink With Galvanized Steel Legs And 2 Drainboards 16" X 20" X 12" Bowls Source: ifoodequipment.ca Omcan Three Compartment Sink Ifoodequipment.Ca Source: falconnashville.com Falcon Vegetable Sink Falcon Fabricators Source: rehabmart.com Stainless Steel Three Compartment Scullery Sink Source: webstaurantstore.com Advance Tabco K7 3 2030 24Rl 16 Gauge Three Compartment Stainless Steel Super Size Sink With Two Drainboards 108" Source: jkfabricationclw.com Extra Large 4 Compartment Portable Sink 110V Electric Source: amazon.com Elkay Foodservice 3 Compartment Sink, 88"X25.75" Oa, 36" Working Height, 16X20 Bowl, 14" Deep, 9.75" Backsplash, Left & Right 18" Drainboards, 8" On Center Faucet Hole, Galvinized Legs, Adjustable Feet, 16 Gauge Source: webstaurantstore.com Regency 3 Compartment Sink With 2 Drainboards 58" Source: elkay.com Elkay Dependabilt Stainless Steel 104" X 29 13/16" X 44 3/4" 16 Gauge Three Compartment Sink W/ 24" Left And Right Drainboards & Stainless Steel Legs Source: katom.com Splash Cs 3 10 14 10 Db15 60" 3 Compartment Sink W/ 10"L X 14"W Bowl, 10" Deep Source: ebay.com 60 Stainless Steel 3 Compartment Commercial Sink Restaurant Three No Drainboard For Sale Online Ebay Source: webstaurantstore.com Regency 44 1/2" 16 Gauge Stainless Steel Three Compartment Commercial Corner Sink With Two Drainboards 14" X 14" X 14" Bowls Source: babakfoodequipment.com Three Compartment Sink 24 X 24 Left Hand Drain Board #1 Restaurant Equipment Vancouver Source: regencytablesandsinks.com 600Di3101410 Regency Source: elkay.com Elkay Rigidbilt Stainless Steel 115 1/2" X 29 3/4" X 14" Floor Mount, Triple Compartment Scullery Sink W/ Drainboard Source: webstaurantstore.com Regency 3 Compartment Sink With 2 Drainboards 58" Source: espresso-outfitters.com Espresso Outfitters, Espresso Carts And Espresso Cart, As Well As Food Cart Manufacturers. Source: webstaurantstore.com Regency 94" 16 Gauge Stainless Steel Three Compartment Commercial Sink With 2 Drainboards 18" X 24" X 14" Bowls Source: katom.com John Boos E3S8 18 12 59" 3 Compartment Sink W/ 18"L X 18"W Bowl, 12" Deep Source: elkay.com Elkay Rigidbilt Stainless Steel 89 1/4" X 29 3/4" X 12 3/4" Floor Mount, Double Compartment Scullery Sink Drainboard Source: concession-sinks.com Concession Sink 3 Small Compartment Stand Food Trailer Truck Source: ifoodequipment.ca Omcan Three Compartment Sink Ifoodequipment.Ca Source: gcph.info 3 Compartment Sink Setup Source: sinkengineering.com Top 7 Best 3 Compartment Sink Reviews In 2021 Source: lilorbits.com Portable 3 Compartment Sink Stainless Steel Industrial Sink Self Contaiend Sink System Source: homedepot.com Koolmore 54 In. Freestanding Stainless Steel 3 Compartments Commercial Sink With Drainboard Cs310 122 The Home Depot Source: champsrestaurantsupply.com Bk Resources Three Compartment Sink With Left Drainboard 18" X 18" C Champs Restaurant Supply Source: katom.com Advance Tabco Fc 3 1620 18Rl 84" 3 Compartment Sink W/ 16"L X 20"W Bowl, 14" Deep Source: tigerchef.com Win Holt Ws3T10142D18 Win Fab Three Compartment Sink With Two Drainboards 70 1/2" X 19 1/2" Source: webstaurantstore.com Regency 39" 16 Gauge Stainless Steel Three Compartment Commercial Sink With Galvanized Steel Legs And Without Drainboards 10" X 14" X 12" Bowls Source: akitchen.com Aero Stainless Steel Three Compartment Sink, 18" X 18" Bowls, Left And Right Drainboards Af3 1818 18Lr Source: imcteddy.com Scs Imc/Teddy Source: morgandafantasyfreak.blogspot.com Industrial Kitchen Sink Usa Modern Home Design And Decor Source: katom.com Advance Tabco Fc 3 1818 59" 3 Compartment Sink W/ 18"L X 18"W Bowl, 14" Deep Source: icemachinesplus.com Empura E S3C242414 24L 24" X 24" X 14" Stainless Steel 3 Compartment Sink With 24" Left Drainboard Source: eliterestaurantequipment.com Universal Bs C3T1512 36" Three Compartment Commercial Sink With Extra Support Source: ifoodequipment.ca Omcan Three Compartment Sink Corner Sink Ifoodequipment.Ca Source: manualzz.com Standard Three Compartment Corner Sinks With Two Drainboards Standard Sizes (In.) Manualzz Source: webstaurantstore.com Types Of Faucets: How To Measure Faucet Size, & More Source: plumbingsupply.com 14 Gauge Heavy Duty Triple Bowl Stainless Steel Kitchen Sinks Source: chemmarkinc.com 3 Compartment Sink Top To Bottom, Front To Back Source: plumbingsupply.com Griffin Commercial Style Stainless Steel Drop In Kitchen Sinks Source: bsmss.com Heavy Duty Stainless Steel 14 Gauge (0.0781") Type 304 2 Compartment Restaurant Commercial Sink, 72" With Drain Boards 7224 181812P2B Commercial Stainless Steel Wash Up Sinks Source: eliterestaurantequipment.com Universal Bs1512 3 36" Three Compartment Sink In Stainless Steel Source: rehabmart.com Stainless Steel Three Compartment Scullery Sink Source: webstaurantstore.com Regency 16 Gauge Stainless Steel Three Compartment Commercial Sink With Two Drainboards 18" X 18" X 14" Bowls Source: atlce.com Ace Atlanta Culinary Equipment, Inc. 3 Comp. Corner Sinks With 2 Drain Boards Source: chefstoys.com Gsw See18183D Stainless Steel 3 Compartment Sink W/ 2 Drain Source: elkay.com Elkay Dependabilt Stainless Steel 106" X 23 13/16" X 44 3/4" 16 Gauge Three Compartment Sink W/ 24" Left And Right Drainboards & Stainless Steel Legs Source: kitchen-monkey.com 2 Compartment Budget Sink 18X18X12D Bowls T 430 Ss Source: globeequipment.com 3 Compartment Sinks Commercial Kitchen Sinks Globe Equipment Source: windepotstore.com Kcs Kcsd316 2020 3 Stainless Steel 3 Compartment Sink, 20"X20"X14" Bowl, No Drainboard Win Depot Source: sinkengineering.com Top 7 Best 3 Compartment Sink Reviews In 2021 Source: chemmarkinc.com 3 Compartment Sink Procedure: Ultimate Guide Chem Mark Inc Source: zesco.com Advance Tabco Fc 4 2424 24Rl Four Compartment Kitchen Sink Kitchen Sinks Three Compartment Zesco.Com Source: pinterest.com Bar Design Ideas How To Design A Commercial Bar For 3 Bin Sinks And Gl Bar Dimensions, Commercial Bar Design Ideas, Bar Design Source: equippers.com Sauber 3 Compartment Stainless Steel Sink With Two 18" Drainboards 84"L Source: tigerchef.com Food Machinery Of America 25273 Three Compartment Pot Sink With Left And Right Drain Boards Source: aeromfg.com 3 Compartment Sink Three Compartment Sink Nsf Sink Source: espresso-outfitters.com Espresso Outfitters, Espresso Carts And Espresso Cart, As Well As Food Cart Manufacturers. Source: walmart.com Ktaxon Heavy Duty 39" 3 Compartment Commercial Stainless Steel Sink Walmart.Com Walmart.Com Source: pinterest.com 10+ Best 3 Compartment Sink Concession Ideas Sink, Compartment, Hand Washing Source: aeromfg.com 3 Compartment Sink Three Compartment Sink Nsf Sink Source: plumbingsupply.com 14 Gauge Heavy Duty Triple Bowl Stainless Steel Kitchen Sinks Source: amazon.com Amazon.Com: Gridmann 3 Compartment Nsf Stainless Steel Commercial Bar Sink: Home Improvement Source: gptx.org Grease Interceptor Sizing Requirements Source: sinkengineering.com Top 7 Best 3 Compartment Sink Reviews In 2021 Source: feren.kicep.mohammedshrine.org Mk_1493] Compartment Sink Drain Diagram For Pinterest Download Diagram Source: ebay.com Eagle 412 24 3 24 R Three 3 Compartment Sink 24" Bowl 24" Drainboard Ebay Source: burkett.com Bk Resources Bks 3 24 14 24T 3 Compartment Sink 24" Source: espresso-outfitters.com Espresso Outfitters, Espresso Carts And Espresso Cart, As Well As Food Cart Manufacturers. Source: cad-block.com Commercial Sink Autocad Blocks Free Download Source: plumbingsupply.com 14 Gauge Heavy Duty Triple Bowl Stainless Steel Kitchen Sinks Source: amazon.com Koolmore Sc121610 12B3 60" 3 Compartment Stainless Steel Nsf Commercial Kitchen Sink With Right And Left Drainboards Bowl Size 12" X 16" X 10": Amazon.Com: Industrial & Scientific Source: bsmss.com Heavy Duty Stainless Steel 14 Gauge (0.0781") Type 304 3 Compartment Restaurant Commercial Sink, 105 3/4" With Drain Boards S10630 182412 3B Commercial Stainless Steel Wash Up Sinks Source: sinkengineering.com Top 7 Best 3 Compartment Sink Reviews In 2021 Source: webstaurantstore.com Steelton 54" 18 Gauge Stainless Steel Three Compartment Commercial Sink With 2 Drainboards 10" X 14" X 12" Bowls Source: jkfabricationclw.com Small Cart Size 3 Compartment Sink Diamond Plate Source: burkett.com Advance Tabco K7 Cs 22 X 3 Compartment Sink Left Right Drainboards Source: akitchen.com Krowne Stainless Steel Three Compartment Under Bar Sink Model 1863C 18 63C Source: moliinternational.com Three Compartment Drop In Mini Sink With Drainboards Moli International Source: commercial-kitchen-equipment.com Heavy Duty Three 3 Compartment Stainless Steel Commercial Utility Sink Kitchen Source: champsrestaurantsupply.com Bk Resources Three Compartment Sink With Right Drainboard 24" X 24" Champs Restaurant Supply Source: walmart.com 3 Compartment 55" Stainless Steel Commercial Kitchen Sink With Large Drainboard Bowl Size 12" X 16" X 10" Walmart.Com Walmart.Com Source: manualzz.com S P E C I F I C At I Sink Accessories Continuous Waste Drain Connection For A 3 Compartment Sink Manualzz Source: katom.com Splash K3 8 1824 14T24 3 Compartment Sink W/ 18"L X 24"W Bowls, 14" Deep Source: donut-equipment.com Bevles 3 Compartment Sink With Side Boards Donut Equipment.Com Source: amazon.com Amazon.Com: Bonnlo 3 Compartment 304 Stainless Steel Utility Sink Commercial Grade Laundry Tub Culinary Sink For Outdoor, Indoor, Garage, Kitchen, Laundry/Utility Room: Home Improvement
suggestion: 3 compartment sink dimensions
3 comp sink dimensions
3 compartment sink size
3 compartment sink size requirements
3 comp sink size
standard 3 compartment sink dimensions
commercial 3 compartment sink dimensions
corner 3 compartment sink dimensions
typical 3 compartment sink dimensions
3 compartment sink drain size
0 Response to "3 compartment sink dimensions"
Posting Komentar